- Nabídka našeho sortimentu
- SKLAD Praha (rozklikni níže)
- SKLAD Ostrava (rozklikni níže)
- SKLAD Opava (rozklikni níže)
- SKLAD Most / prodejna Klášterec
.
IRFUC20
- Kompletní specifikace
- Parametry
IRFUC2034,00 Kč/ ks28,10 Kč bez DPH
Kompletní specifikace
V-MOS N-FET, 600V, 2A, 42W, 1,2ohm
Parametry
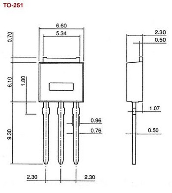
pouzdro/zapojení vývodůTO251 (IPAK) g-d-s
Zboží zařazeno v kategoriích

